XNL-25×※-C/Y回油过滤器主要安装在液压系统的回油管路上,液压元件在工作过程中所产生的磨粒等各种污物可以通过设置回油管路油滤而被拦,避免再次回到油箱、再次被液压泵吸入.回油管路油滤的许可压差,根据不同压力级别,范围在0.3~0.5MPa。精度根据油液污染度要求具体确定。
XNL-25×※-C/Y回油过滤器的设置要考虑的因素要更多些,其中一个因素是液压冲击,尤其是上游有液压缸和比例阀的情况下,在高压下液压缸的换向和比例阀的突然掉电,都会产生很大的瞬间流量冲击,对油滤的滤芯会造成很大的伤害,在设计选用回油管路油滤时要有认识,在结构上加强。
XNL-25×※-C/Y回油过滤器应用范围
1、冶金:用于轧钢机、连铸机液压系统的过滤及润滑设备的过滤。
2、石化:炼油、化工生产过程中的产品及中间产品的分离及回收,油田注井水及天然气除颗粒过滤。
3、纺织:聚脂熔体在拉丝过程中的净化及均匀过滤,空压机的保护过滤,压缩气体的除油除水。
4、电子及制药:反渗透水、去离子水的予处理过滤,洗净液及葡萄糖的前处理过滤。
5、火电及核电:气轮机、锅炉的润滑系统、速度控制系统、旁路控制系统油的净化,给水泵、风机及除尘系统的净化。
6、机械加工设备:造纸机械、矿业机械、注塑机及大型机械的润滑系统和压缩空气的净化,烟草加工设备及喷涂设备的过滤。
XNL-25×※-C/Y回油过滤器工作方式
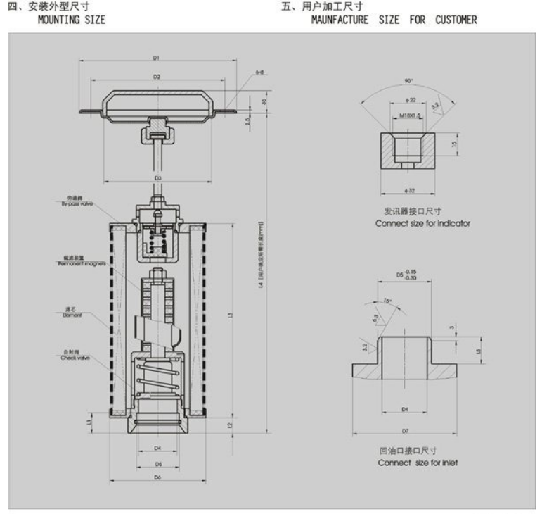
XNL-25×※-C/Y回油过滤器分化纤式,纸质式、网式和线隙式四种。回油过滤器装有压差发讯装置,当滤芯因污染堵塞致使进出油口压差达0.35MPa时,便发出开关信号,此时应清洗或更换滤芯。该过滤器滤芯采用化纤过滤材质,具有过滤精度高、通油能力大、原始压力损失少、纳污量大等优点,
XNL-25×※-C/Y回油过滤器安装注意问题
1.液压系统工作压力:p MPa(1MPa=10Kgf/cm2?)
2.液压系统工作流量:Q L/min , M3 / H
3.液压管路工作流量:Q L/min
4.选用介质的牌号: 为了考虑相容性,(用PH试纸检查介质酸碱度)
XNL回油过滤器型号大全
XNL-25×※-C/Y回油过滤器
XNL-40×※-C/Y
XNL-63×※-C/Y
XNL-100×※-C/Y
XNL-160×※-C/Y
XNL-250×※-C/Y
XNL-400×※-C/Y
XNL-630×※-C/Y
XNL-800×※-C/Y
XNL-1000×※-C/Y
如需定制过滤器请联系新乡市亚洲必赢过滤技术有限公司
联系人:王经理
手 机:1567056000113183108783
邮 箱:sales@cl-filter.com
公 司:新乡市亚洲必赢过滤技术有限公司
地 址:河南省新乡市创业路1号高新技术产业园